Korg C 4000 hört man nur auf einer Seite

  • #22
Ich muss jetzt nochmal Fragen: wenn Du das AUX out Kabel berührst funktioniert alles wie es soll?
 

  • #24
Wenn ich nur über das Piano spiele, ohne eine Quelle am AUX-IN ZU haben, dann höre ich nur die rechte Seite der Lautsprecher ...

Wenn ich bei AUX-IN ein Signal rein schicke, höre ich über beide Lautsprecher des Pianos und über die, am AUX-OUT, angeschlossenen Lautsprecher das abgespielte Signal aus meiner Quelle. Dieses Signal hört man gleichzeitig aus dem Piano und aus den Lautsprechern, beidseitig.
Wie schon zuvor erwähnt, liegt der Fehler vor den Summierverstärkern MIX. Und ich hoffe, daß es "nur" der "MASTER VOLUME"-Regler ist und keins von den SMD-Fliegenschiß-Dingern ...
 
  • Like
Reaktionen: Cudra
  • #25
Ich muss jetzt nochmal Fragen: wenn Du das AUX out Kabel berührst funktioniert alles wie es soll?
Wie kann das sein? Die AUX OUTs werden rückwirkungsfrei nach dem MIX-Verstärker ausgekoppelt!?!
 
  • #26
Eigentlich ja gut, wenn es mechanisch beeinflusst werden kann, dh Steckerverbindung, Lötstelle oder hier vielleicht ein Kurzschluss im Auxout Kabel?
 
  • #28
Eigentlich ja gut, wenn es mechanisch beeinflusst werden kann, dh Steckerverbindung, Lötstelle oder hier vielleicht ein Kurzschluss im Auxout Kabel?
Wilde Mutmaßungen und Herumstocherei helfen nicht weiter, denn:
ml-koeln schrieb:

Die AUX OUTs werden rückwirkungsfrei nach dem MIX-Verstärker ausgekoppelt!?!
Da fragt man sich, warum man sich die Mühe macht, um bei einer Fehlersuche zu helfen?

Ich bin damit raus aus dem Thema.
 
  • Like
Reaktionen: Austro-Diesel
  • #29
Wilde Mutmaßungen und Herumstocherei helfen nicht weiter, denn:

Da fragt man sich, warum man sich die Mühe macht, um bei einer Fehlersuche zu helfen?

Ich bin damit raus aus dem Thema.
Ich danke dir für deine Hilfe. Tut mir leid falls ich dich irgendwie verärgert habe.
 
  • #30
Ich danke dir für deine Hilfe. Tut mir leid falls ich dich irgendwie verärgert habe.
Nee, Du hast mich nicht verärgert. Es sind mehr die wilden Mußmaßungen anderer, die auf keiner Grundlage beruhen, angefangen bei der verbogenen Kontaktzunge an der Kopfhörerbuschse. Schon ausprobiert (Oszi), ob das Signal am Lautstärkesteller ankommt und abgeht?
 
  • #31
OK. Ich verstehe. Nein, könnte ich noch nicht testen. Ich muss das Piano mitnehmen, da ich das Oszi nicht mitnehmen darf. Das wird in den nächsten Tagen, 1-2 Wochen passieren. Sobald ich das gemacht habe, nenne ich hier das Ergebnis.
 
  • #32
Und was machst Du, wenn eins der Fliegenschiß-Bauteile defekt ist? Hättest Du das passende Werkzeug zum Löten? Elektrostatische Aufladungen könnten auch zu einer Gefahr werden, die Integrierte Schaltkreise beschädigen können.
 
Zuletzt bearbeitet:
  • Like
Reaktionen: Cudra
  • #35
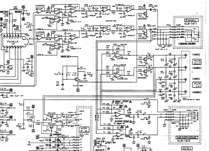
AUX OUT ist durch den 2fach OpAmp IC2 (der auch als Mischverstärker arbeitet) rückwirkungsfrei entkoppelt.
Wenn schon ein Link zu den Service-Unterlagen angegeben ist, sollte man sich die Mühe machen, vor irgendwelchen Weissagungen in die Schaltpläne zu schauen!

Bitteschön:

Screenshot 2025-10-30 at 12-13-25 Korg-Concert-c-4000-5500-30-40-50-Service-Manual-1.pdf.webp
 
  • Like
Reaktionen: Cudra
  • #36
Und was machst Du, wenn eins der Fliegenschiß-Bauteile defekt ist? Hättest Du das passende Werkzeug zum Löten? Elektrostatische Aufladungen könnten auch zu einer Gefahr werden, die Integrierte Schaltkreise beschädigen können.
Ich habe die Möglichkeit verschiedenste Geräte und Werkzeuge zu benutzten. Unter anderem auch Lötkolben. Nur muss ich mit dem Gerät hinfahren.
 
  • #37
Ob sich das bei einem 40 Jahre alten Modell lohnt?

@ml-koeln lt. Beschreibung handelt es sich um ein intermittierendes Problem, dass bei Berührung verschwindet. Da halte ich Deinen Verdacht auf defekte Bauteile für eine unpassende Weissagung.
 
  • #38
Wenn ich die an AUX-IN angeschlossenen Kabel berühre höre ich das Summen, dass bei Berührung entsteht in beide Lautsprecher. Also ich bekomme von AUX-IN ein Signal auf beide Lautsprecher. Hierbei ist die Rede nur von dem was ich von einer externen Quellen abspiele, nicht von den Tastendrücken. Bei Tastendrücken verhält es sich immer gleich, es ist nur Rechts zu hören.
Ob sich das bei einem 40 Jahre alten Modell lohnt?

@ml-koeln lt. Beschreibung handelt es sich um ein intermittierendes Problem, dass bei Berührung verschwindet. Da halte ich Deinen Verdacht auf defekte Bauteile für eine unpassende Weissagung.
 
  • #39
Wenn ich gratis die Sachen zur Verfügung gestellt bekommen und kein Geld habe im mir ein neues Piano zu kaufen, finde ich, dass es sich lohnt.
 
  • Like
Reaktionen: Peter
  • #40
Hoffe, Du weißt, welches die relevanten Meßpunkte zur Signalverfolgung sind?
(Pin 1, 7, 8, 14 der OpAmps µPC4576G2 im oberen 1/4 des Schaltplanausschnitts.)
µPC4574G2 Datenblatt
MJN5532 ist als 5532 mit verschiedenen Präfixen erhältlich (Pin 1, 7) .
Mit Multimeter und Oszilloskop sollte die Fehlersuche schnell erledigt sein.

Ob sich das bei einem 40 Jahre alten Modell lohnt?
Dann werden wohl noch keine SMDs drin sein ... :001:

Da halte ich Deinen Verdacht auf defekte Bauteile für eine unpassende Weissagung.
Und ich halte Deine Analyse für eine Meinung, nicht für eine Diagnose.
Wenn ich die an AUX-IN angeschlossenen Kabel berühre höre ich das Summen, dass bei Berührung entsteht in beide Lautsprecher. Also ich bekomme von AUX-IN ein Signal auf beide Lautsprecher. Hierbei ist die Rede nur von dem was ich von einer externen Quellen abspiele, nicht von den Tastendrücken. Bei Tastendrücken verhält es sich immer gleich, es ist nur Rechts zu hören.
Damit wäre wohl die These
vom intermittierenden Problem, das bei Berührung verschwindet,
vom Tisch.

Wenn ich gratis die Sachen zur Verfügung gestellt bekommen und kein Geld habe im mir ein neues Piano zu kaufen, finde ich, dass es sich lohnt.
Manchmal gibt es unschlagbare Argumente!

:003:

PS:
Wir sollten auf PM umziehen. Ich glaube kaum, daß dieses Thema sonst noch jemanden interessiert.
:003:
 
Zuletzt bearbeitet:
  • Like
Reaktionen: Cudra

Affiliate Links
Toontrack
Superior Drummer 3
279 €
Jetzt kaufen
Zurück
Oben Unten