C
Cudra
- Registriert
- 29.10.2025
- Beiträge
- 9
- Reaktionen
- 0
Guten Abend!
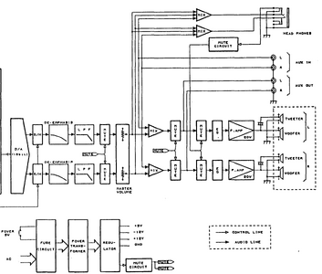
Ich habe ein Korg Concert 4000 und man hört nur auf der rechten Seite die Lautsprecher. Wenn ich einen Kopfhörer anschließe, hört man ebenfalls nur die rechte Seite, außer ich ziehe den Kopfhörerstecker ein bisschen raus, dann hört man nur die linke Seite.
Ich habe das Gerät geöffnet und festgestellt, dass alle Lautsprecher funktionieren und mit Strom versorgt werden. Schließe ich hinten an "AUX OUT" aktive Lautsprecher an, so hört man nichts aus den angeschlossenen Lautsprechern. Zusätzlich habe ich gemerkt, dass wenn ich bei "AUX OUT" die Kabel berühre, ich von beide Piano Lautsprechern etwas höre.
Hat vielleicht jemand eine Lösung für dieses Problem?
Liebe Grüße
Ich habe ein Korg Concert 4000 und man hört nur auf der rechten Seite die Lautsprecher. Wenn ich einen Kopfhörer anschließe, hört man ebenfalls nur die rechte Seite, außer ich ziehe den Kopfhörerstecker ein bisschen raus, dann hört man nur die linke Seite.
Ich habe das Gerät geöffnet und festgestellt, dass alle Lautsprecher funktionieren und mit Strom versorgt werden. Schließe ich hinten an "AUX OUT" aktive Lautsprecher an, so hört man nichts aus den angeschlossenen Lautsprechern. Zusätzlich habe ich gemerkt, dass wenn ich bei "AUX OUT" die Kabel berühre, ich von beide Piano Lautsprechern etwas höre.
Hat vielleicht jemand eine Lösung für dieses Problem?
Liebe Grüße


